Technisches Zeichnen
| Schneckengetriebe | Sternmotor | Kurbelgehäuse | Getriebewelle |
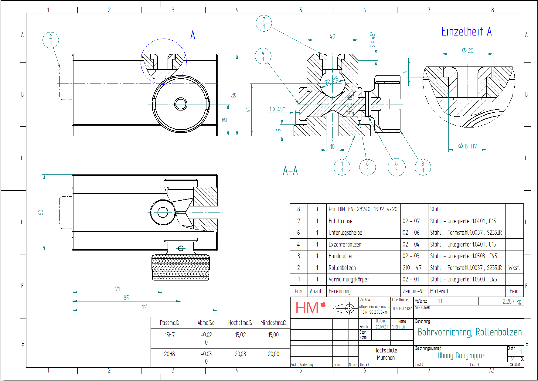
| Bohrvorrichtung | Ventilgehäuse | Bohrvorrichtung RB | Fliehkraftkupplung |
| Kurbelwelle (3D) | Laufrad (3D) | Hubschrauber-Planetengetr. (3D) | |
Grundlagen des Technischen Zeichnens: https://www.technisches-zeichnen.net/index.php
